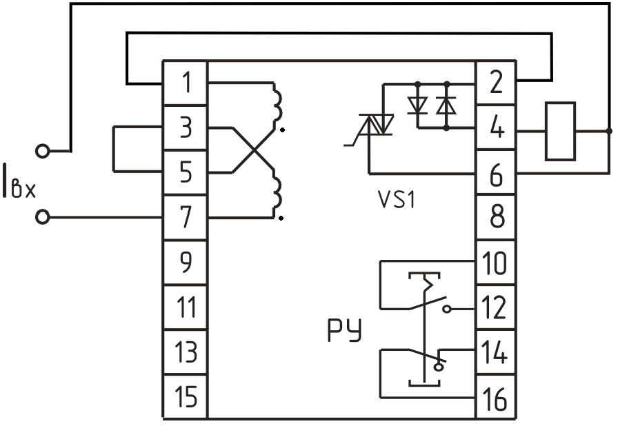
Однофазное реле максимального тока с дешунтированием и указательным реле РСТ-140ДУ



Основные достоинства реле РСТ-140ДУ
-
Реле не требуют питания от цепей оперативного тока — питаются от входного тока, вследствие чего обладают высокой помехоустойчивостью;
-
Реле выполнены на микроэлектронной элементной базе, поэтому в отличие от электромеханических реле обладают высокой виброустойчивостью и ударопрочностью, у них принципиально отсутствует вибрация контактов;
-
Реле имеют дискретную регулировку уставок тока срабатывания;
-
Имеется встроенное указательно реле;
-
Обладает усиленными переключающими контактами, предназначенными для шунтирования — дешунтирования цепи отключающей катушки выключателя.
Условия эксплуатации реле РСТ-140ДУ
-
Реле изготавливаются в климатическом исполнении УХЛ категории 4 по ГОСТ 15150-69 для России и поставок на экспорт в страны с умеренным климатом и исполнения О категории размещения «4» по ГОСТ 15150-69 для поставок на экспорт в страны с тропическим климатом. Реле исполнения О4 отличается от реле исполнения УХЛ4 материалами и покрытиями;
-
Высота над уровнем моря не более 2000 м;
-
Верхнее рабочее и предельное значение температуры окружающего воздуха плюс 55°C; нижнее рабочее и предельное значение температуры окружающего воздуха минус 40°C (без выпадения росы и инея);
-
Верхнее значение относительной влажности не более 80% при 25°C для вида климатического исполнения УХЛ4 и не более 98 % при 35°C для вида климатического исполнения О4 (без конденсации влаги);
-
Окружающая среда невзрывоопасная, не содержащая токопроводящей пыли, агрессивных газов и паров в концентрациях, разрушающих изоляцию и металлы;
-
Величины механических воздействий не должны превышать: вибрационные нагрузки с максимальным ускорением 3g в диапазоне частот от 5 до 15 Гц и 1g в диапазоне частот от 16 до 100 Гц; многократные удары с длительностью удара от 2 до 20 мс и ускорением до 3g.
Таблица 1. Исполнение реле по току срабатывания
|
Обозначение максимальной уставки по току |
Диапазон уставок по току, А |
Соединение обмоток |
Потребляемая мощность при токе минималь-ной уставки, не более, ВА |
|||
|
Последовательное |
Параллельное |
|||||
|
Ток срабатывания, А |
Номинальный ток*, А |
Ток срабатывания*, А |
Номинальный ток, А |
|||
|
02 |
0,05 — 0,255 |
0,5 — 1,275 |
1 |
1 — 2,55 |
2 |
2 |
|
06 |
0,15 — 0,765 |
1,5 — 3,825 |
3 |
3 — 7,65 |
6 |
2 |
|
10 |
0,5 — 2,55 |
2,5 — 6,375 |
5 |
5 — 12,75 |
10 |
2 |
|
20 |
1,5 — 7,65 |
5 — 12,75 |
10 |
10 — 25,5 |
16 |
2 |
* - без учета цепей дешунтирования
Таблица 2. Основные технические характеристики реле.
|
№ |
Наименование параметра |
Значение |
|
1 |
Коэффициент возврата реле, не менее |
0,9 |
|
2. |
Время срабатывания токового органа при токе 1,2Iср, не более при токе 3Iср, не более |
0,05 с 0,02 с |
|
3 |
Средняя наработка на отказ реле, не менее |
12 500 циклов ВО |
|
4 |
Длительно допустимый ток цепей дешунтирования на каждую фазу: - с кожухом - без кожуха |
Не более 5 А Не более 12 А |
|
5 |
Выходы дешунтирования способны шунтировать и дешунтировать управляемую цепь при токах до 150 А, если управляемая цепь питается от трансформатора тока и ее импеданс: - при токе 4 А - при токе 50 А |
Не более 4 Ом не более 1,5 Ом |
|
6 |
Средний ресурс, не менее |
100 000 циклов ВО |
|
7 |
Габариты, max |
157 х 157 х 178 мм |
|
8 |
Масса, max |
2,5 кг |
Таблица 3. Параметры выходных контактов.
|
Выходные реле |
Стандартное |
С усиленными контактами |
Указательное реле |
|
Количество и типы выходных контактов (примечание): 0 — нет реле; з — замыкающий; п — переключающий; р — размыкающий; у — усиленные контакты |
0, 1з1р, 2з, 2р, 1п |
1зу, 1ру, 1пу |
1з1р, 2з, 2р, 1п |
|
Коммутируемая мощность при напряжении от 24 до 250 В: - переменного тока при cosφ > 0,5 - постоянного тока для τ < 0,005 c |
300 ВА 20 Вт |
600 ВА 40 Вт |
_ |
|
Коммутируемая мощность при напряжении от 12 до 250 В (для указательного реле): - переменного тока при cosφ= 0,4 - постоянного тока для τ= 0,02 c |
_ |
_ |
160 ВА 30 Вт |
|
Ток отключения, не более |
5 А |
10 А |
4 А |
|
Длительно допустимый ток |
8 А |
16 А |
4 А |
|
Минимальный ток контактов: - при напряжении не ниже 60 В - при напряжении не ниже 24 В |
0,005 А 0,0125 А |
0,005 А 0,0125 А |
_ |
